GMN S607CTAUPDUL軸承代號說明
G
M
N
S
6
0
7
C
T
A
U
P
D
U
L
GMN :軸承品牌:GMN
S:內圈帶兩個導向盤
6:角接觸球軸承
0:尺寸系列:10系列
7:內徑:7 mm
C:接觸角 15°
TA:外圈導向層壓酚醛樹脂保持架或聚酰胺保持架
UP:符合GMN規范的GMN高精度
D:雙列
U:萬能配對
L:輕型預緊
GMN :
軸承品牌:GMN
S:
內圈帶兩個導向盤
6:
角接觸球軸承
0:
尺寸系列:10系列
7:
內徑:7 mm
C:
接觸角 15°
TA:
外圈導向層壓酚醛樹脂保持架或聚酰胺保持架
UP:
符合GMN規范的GMN高精度
D:
雙列
U:
萬能配對
L:
輕型預緊
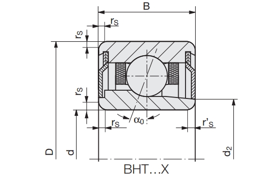
GMN S607CTAUPDUL軸承尺寸、參數與圖紙
| 外形尺寸 (mm) | |
| 軸承內徑 d | 7 |
| 軸承外徑 D | 19 |
| 軸承厚度 B | 6 |
| 倒角半徑 rs.min | 0.3 |
| 倒角半徑,開口側 rs1.min | 0.3 |
| 滾珠參數 | |
| 數量 Z | 10 |
| 滾珠直徑 Dw | 3.175 mm |
| 橋臺和圓角尺寸 (mm) | |
| 內圈外徑 d1 | 10.7 |
| 內圈外徑,開口側 d2 | - |
| 保持架孔徑 dk | 13.5 |
| 節圓直徑 dm | 13 |
| 外圈內徑 D1 | 15.8 |
| 外圈內徑,開口側 D2 | 16.5 |
| SMI潤滑油槽寬度 a | - |
| 額定載荷(N) | |
| 基本動載荷 C | 2650 |
| 基本靜載荷 Co | 1150 |
| 參考重量(kg) | |
| 0.007 | |
| 輕預緊 (N) | |
| 預緊量 Fv | 12 |
| 提升力 Fa.max | 37 |
| 軸向剛度(配對軸承) Cax | 11/μm |
| 中預緊 (N) | |
| 預緊量 Fv | 40 |
| 提升力 Fa.max | 140 |
| 軸向剛度(配對軸承) Cax | 20/μm |
| 重預緊 (N) | |
| 預緊量 Fv | 80 |
| 提升力 Fa.max | 300 |
| 軸向剛度(配對軸承) Cax | 30/μm |
| 其他參數 | |
| 接觸角 α0 | 15° |
| 極限轉速 n | 125000/min |
| 最小彈簧預緊 Ff | 65 N |
| 相關產品推薦 | |||
| 型號 | 市場價 | 喬峰價 | 庫存 |
| 607.2Z軸承 | ¥12.43元 | 電話咨詢 | 70 |
角接觸球軸承推薦
| FAFNIR 2MMV9114WICRDULFS637軸承 | 基本尺寸,內徑:70.00000mm,外徑:110.00000mm,厚度:20.00000mm。 |
| SNFA SEB20-7CE1-DDL軸承 | 基本尺寸,內徑:20.00000mm,外徑:37.00000mm,厚度:9.00000mm。 |
| IBC 7211.C.TPA.PHG.UM軸承 | 基本尺寸,內徑:55.00000mm,外徑:100.00000mm,厚度:21.00000mm。 |
| NSK 15TAC02DT85SUMPN7B Q軸承 | 基本尺寸,內徑:15.00000mm,外徑:35.00000mm,厚度:11.00000mm。 |
| IBC BS50M100.P4A.QBCM軸承 | 基本尺寸,內徑:50.00000mm,外徑:100.00000mm,厚度:20.00000mm。 |
FAG軸承推薦
| FAG 7212-B-XL-MP-UA軸承 | FAG 7212-B-XL-MP-UA軸承,市場價:¥364.35元,當前庫存4套,添加時間:2023-08-17 21:28:14 |
| FAG 3201-BB-TVH-C3軸承 | FAG 3201-BB-TVH-C3軸承,市場價:¥89.48元,當前庫存2套,添加時間:2023-08-17 17:21:16 |
| FAG 23132-E1A-XL-M-C3軸承 | FAG 23132-E1A-XL-M-C3軸承,市場價:¥2004.00元,當前庫存397套,添加時間:2023-08-20 13:53:58 |
| FAG 2316-M-C3軸承 | FAG 2316-M-C3軸承,市場價:¥1680.00元,當前庫存61套,添加時間:2023-08-18 14:08:37 |
| FAG S692-2Z-HLC軸承 | FAG S692-2Z-HLC軸承,市場價:¥35.69元,當前庫存40套,添加時間:2023-08-17 12:54:54 |
IKO軸承推薦
| IKO TAMW5550軸承 | 基本尺寸,內徑:55.00000mm,外徑:67.00000mm,厚度:50.00000mm。 |
| IKO CF30BUUR軸承 | 基本尺寸,內徑:30.00000mm,外徑:80.00000mm,厚度:35.00000mm。 |
| IKO TLA48Z軸承 | 基本尺寸,內徑:4.00000mm,外徑:8.00000mm,厚度:8.00000mm。 |
| IKO GE100ES-2RS軸承 | 基本尺寸,內徑:100.00000mm,外徑:150.00000mm,厚度:70.00000mm。 |
| IKO NAXI6040Z軸承 | 基本尺寸,內徑:60.00000mm,外徑:95.00000mm,厚度:40.00000mm。 |

