NTN 562018M/GNP4軸承代號說明
N
T
N
5
6
2
0
1
8
M
/
G
N
P
4
NTN :軸承品牌:NTN
562:雙向推力角接觸球軸承,接觸角 60°
0:尺寸系列:10系列
18:公稱內徑:90 mm
M:大徑型
/GN:正常預緊
P4:ISO 4級精度
NTN :
軸承品牌:NTN
562:
雙向推力角接觸球軸承,接觸角 60°
0:
尺寸系列:10系列
18:
公稱內徑:90 mm
M:
大徑型
/GN:
正常預緊
P4:
ISO 4級精度
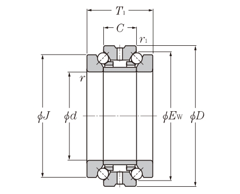
NTN 562018M/GNP4軸承尺寸、參數與圖紙
| 外形尺寸 (mm) | |
| 軸承內徑(小徑型) d | 90 |
| 軸承內徑(大徑型) d | 93 |
| 軸承外徑 D | 140 |
| 軸承總厚度 T1 | 60 |
| 軸承外圈厚度 C | 30 |
| 倒角半徑 rs.min | 1.5 |
| 倒角半徑 r1s.min | 1 |
| 參考尺寸 (mm) | |
| 外圈外徑 J | 123 |
| 滾珠圈外徑 Ew | 127 |
| 油槽寬度 Wo | 8 |
| 油孔直徑 do | 4 |
| 安裝相關尺寸 (mm) | |
| 內圈外徑 da.min | 109 |
| 外圈內徑 Db.max | 133.5 |
| 倒角半徑 ras.max | 1.5 |
| 倒角半徑 r1as.max | 1 |
| 基本額定載荷(kN) | |
| 額定動載荷 Ca | 67.5 |
| 額定靜載荷 Coa | 216 |
| 基本額定載荷(kgf) | |
| 額定動載荷 Ca | 6850 |
| 額定靜載荷 Coa | 22000 |
| 極限轉速(r/min) | |
| 脂潤滑 | 3300 |
| 油潤滑 | 4400 |
| 其他參數 | |
| 單列參考重量(小徑型) | 3.05 kg |
| 單列參考重量(大徑型) | 2.7 kg |
| 相關產品推薦 | |||
| 型號 | 市場價 | 喬峰價 | 庫存 |
| 562018/GNP4軸承 | ¥6002.43元 | 電話咨詢 | 8 |
| 562014GNP4軸承 | ¥6261.71元 | 電話咨詢 | 4 |
| 562019/GNP4軸承 | ¥6351.44元 | 電話咨詢 | 13 |
角接觸球軸承推薦
| NTN 5S-7908CDLLBDBCS01P42L448軸承 | 基本尺寸,內徑:40.00000mm,外徑:62.00000mm,厚度:12.00000mm。 |
| NSK 7040ATDBMP4軸承 | 基本尺寸,內徑:200.00000mm,外徑:310.00000mm,厚度:51.00000mm。 |
| NTN 5S-7902CDLBA1GP42V1軸承 | 基本尺寸,內徑:15.00000mm,外徑:28.00000mm,厚度:7.00000mm。 |
| NSK 50TAC100CDDGSUHPN-01軸承 | 基本尺寸,內徑:50.00000mm,外徑:100.00000mm,厚度:20.00000mm。 |
| SKF 71912CD/P4AQBCG78軸承 | 基本尺寸,內徑:60.00000mm,外徑:85.00000mm,厚度:13.00000mm。 |
FAG軸承推薦
| FAG HCB7205-E-T-P4S-UL軸承 | FAG HCB7205-E-T-P4S-UL軸承,市場價:¥855.61元,當前庫存32套,添加時間:2023-08-21 15:50:39 |
| FAG ARCANOL-MULTI3-250G軸承 | FAG ARCANOL-MULTI3-250G軸承,市場價:¥76.72元,當前庫存57套,添加時間:2023-08-22 16:46:20 |
| FAG 61868-MA-C3軸承 | FAG 61868-MA-C3軸承,市場價:¥14241.30元,當前庫存2套,添加時間:2023-08-17 15:40:23 |
| FAG 6213-H-2RSR-SN-C3軸承 | FAG 6213-H-2RSR-SN-C3軸承,市場價:¥94.70元,當前庫存240套,添加時間:2023-08-17 14:58:05 |
| FAG 51326-MP軸承 | FAG 51326-MP軸承,市場價:¥5145.24元,當前庫存1套,添加時間:2023-08-18 15:43:27 |
IKO軸承推薦
| IKO TAF435330軸承 | 基本尺寸,內徑:43.00000mm,外徑:53.00000mm,厚度:30.00000mm。 |
| IKO BA116ZOH軸承 | 基本尺寸,內徑:17.46200mm,外徑:22.22500mm,厚度:9.52000mm。 |
| IKO CRY18V軸承 | 基本尺寸,內徑:7.93800mm,外徑:28.57500mm,厚度:17.46300mm。 |
| IKO TAM1215軸承 | 基本尺寸,內徑:12.00000mm,外徑:19.00000mm,厚度:15.00000mm。 |
| IKO CFKR72UU軸承 | 基本尺寸,內徑:24.00000mm,外徑:72.00000mm,厚度:29.00000mm。 |

