IKO AZ14024039軸承代號說明
A
Z
1
4
0
2
4
0
3
9
AZ:推力圓柱滾子軸承
140:內徑代號,內徑:140mm
240:外徑代號,外徑:240mm
39:厚度代號,厚度:39mm
AZ:
推力圓柱滾子軸承
140:
內徑代號,內徑:140mm
240:
外徑代號,外徑:240mm
39:
厚度代號,厚度:39mm
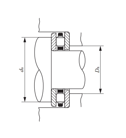
IKO AZ14024039軸承尺寸、參數與圖紙
| 基本尺寸 (mm) | |
| 軸徑 d | 140 |
| 內徑 d | 140 |
| 外徑 D | 240 |
| 厚度 T | 39 |
| dc | 140.1 |
| Dc | 239 |
| Dw | 15 |
| B | 12 |
| 標準安裝尺寸 (mm) | |
| rs min | 2.1 |
| Ci | 161 |
| Ce | 227 |
| da Min. | 226 |
| Da Max. | 162 |
| 重量(g) | |
| 推力軸承重量 | 8680 |
| 推力滾子和保持架組件重量 | 3100 |
| 內圈和外圈重量 | 2790 |
| 載荷(N) | |
| 動態基本額定載荷 | 2180000 |
| 其他參數 | |
| 極限轉速 /min | 1600 |
| 相關軸承型號 | |
| 推力滾子和保持架組件型號 | AZK14024015 |
| 內圈型號 | WS140240 |
| 外圈型號 | GS140240 |
IKO軸承推薦
| IKO SB45A軸承 | 基本尺寸,內徑:45.00000mm,外徑:72.00000mm,厚度:36.00000mm。 |
| IKO TAF263416OG軸承 | 基本尺寸,內徑:26.00000mm,外徑:34.00000mm,厚度:16.00000mm。 |
| IKO NAS5010UUNR軸承 | 基本尺寸,內徑:50.00000mm,外徑:80.00000mm,厚度:40.00000mm。 |
| IKO YB108/SL3軸承 | 基本尺寸,內徑:15.87500mm,外徑:20.63800mm,厚度:12.70000mm。 |
| IKO TAM1620軸承 | 基本尺寸,內徑:16.00000mm,外徑:24.00000mm,厚度:20.00000mm。 |
TIMKEN軸承推薦
| TIMKEN 455/453-B軸承 | TIMKEN 455/453-B軸承,市場價:¥714.35元,當前庫存1套,添加時間:2023-09-15 14:05:45 |
| TIMKEN 97901D-20081軸承 | TIMKEN 97901D-20081軸承,市場價:¥8966.58元,當前庫存4套,添加時間:2023-09-14 17:41:26 |
| TIMKEN 567X/563DC軸承 | TIMKEN 567X/563DC軸承,市場價:¥2877.41元,當前庫存1套,添加時間:2023-09-15 16:47:12 |
| TIMKEN 652-B軸承 | TIMKEN 652-B軸承,市場價:¥862.00元,當前庫存1套,添加時間:2023-09-14 13:13:16 |
| TIMKEN 67920SA-201C8軸承 | TIMKEN 67920SA-201C8軸承,市場價:¥3651.72元,當前庫存1套,添加時間:2023-09-13 14:35:54 |
NSK軸承推薦
| NSK 7024CTRDULP3軸承 | NSK 7024CTRDULP3軸承,市場價:¥10284.16元,當前庫存4套,添加時間:2023-08-29 21:09:38 |
| NSK 7005CTRDUDLP3軸承 | NSK 7005CTRDUDLP3軸承,市場價:¥1897.83元,當前庫存1套,添加時間:2023-08-28 21:17:40 |
| NSK 7228ADBCA55P5軸承 | NSK 7228ADBCA55P5軸承,市場價:¥2730.00元,當前庫存1套,添加時間:2023-08-29 21:21:01 |
| NSK 55BNR10HTYNDUELP4Y Q軸承 | NSK 55BNR10HTYNDUELP4Y Q軸承,市場價:¥2059.02元,當前庫存7套,添加時間:2023-08-29 14:32:52 |
| NSK NN3018MBKR1CC1P5軸承 | NSK NN3018MBKR1CC1P5軸承,市場價:¥1300.83元,當前庫存128套,添加時間:2023-08-30 16:29:26 |

