IKO CF5WBUUR/SG軸承代號說明
C
F
5
W
B
U
U
R
/
S
G
CF:凸輪從動軸承(螺栓型滾輪軸承)
5:螺柱直徑代號,參考螺柱直徑:5mm
W:附帶推力墊圈
B:螺柱頭部帶六角孔
UU:密封型,兩側有橡膠密封圈
R:球面外圈
/SG:C-Lube自潤滑
CF:
凸輪從動軸承(螺栓型滾輪軸承)
5:
螺柱直徑代號,參考螺柱直徑:5mm
W:
附帶推力墊圈
B:
螺柱頭部帶六角孔
UU:
密封型,兩側有橡膠密封圈
R:
球面外圈
/SG:
C-Lube自潤滑
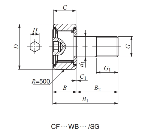
IKO CF5WBUUR/SG軸承尺寸、參數與圖紙
| 基本尺寸 (mm) | |
| 螺柱直徑 de | 5 |
| 外徑 D | 13 |
| 厚度 C | 9 |
| G | M5X0.8 |
| G1 | 7.5 |
| B | 10 |
| B1 | 23 |
| B2 | 13 |
| C1 | 0.5 |
| H | 3 |
| 安裝尺寸 (mm) | |
| fmin. | 9.3 |
| 重量(g) | |
| 10.3 | |
| 載荷(N) | |
| 動態基本額定載荷 | 2520 |
| 靜態基本額定載荷 | 2140 |
| 最大允許靜載荷 | 1260 |
| 其他參數 | |
| 極限擰緊力矩 N·m | 1.6 |
IKO軸承推薦
| IKO TA6025Z軸承 | 基本尺寸,內徑:60.00000mm,外徑:72.00000mm,厚度:25.00000mm。 |
| IKO RNA6917UU軸承 | 基本尺寸,內徑:100.00000mm,外徑:120.00000mm,厚度:63.00000mm。 |
| IKO CRY40V軸承 | 基本尺寸,內徑:19.05000mm,外徑:63.50000mm,厚度:39.68800mm。 |
| IKO TAF152320OG軸承 | 基本尺寸,內徑:15.00000mm,外徑:23.00000mm,厚度:20.00000mm。 |
| IKO TAM7030軸承 | 基本尺寸,內徑:70.00000mm,外徑:82.00000mm,厚度:30.00000mm。 |
TIMKEN軸承推薦
| TIMKEN LM844010-20722軸承 | TIMKEN LM844010-20722軸承,市場價:¥3882.35元,當前庫存6套,添加時間:2023-09-14 10:58:34 |
| TIMKEN 34300/34478D軸承 | TIMKEN 34300/34478D軸承,市場價:¥6082.20元,當前庫存1套,添加時間:2023-09-15 16:26:40 |
| TIMKEN 774D-20024軸承 | TIMKEN 774D-20024軸承,市場價:¥2090.55元,當前庫存10套,添加時間:2023-09-14 17:34:23 |
| TIMKEN 29348EJ軸承 | TIMKEN 29348EJ軸承,市場價:¥9909.22元,當前庫存9套,添加時間:2023-09-14 19:33:23 |
| TIMKEN 467/452A軸承 | TIMKEN 467/452A軸承,市場價:¥724.51元,當前庫存45套,添加時間:2023-09-15 09:22:08 |
NSK軸承推薦
| NSK N1013BTKRCC1P4 Q軸承 | NSK N1013BTKRCC1P4 Q軸承,市場價:¥949.59元,當前庫存50套,添加時間:2023-08-30 14:43:28 |
| NSK 7224CTYNDBLP5軸承 | NSK 7224CTYNDBLP5軸承,市場價:¥3440.85元,當前庫存18套,添加時間:2023-08-29 21:12:18 |
| NSK 75TMP93P5A軸承 | NSK 75TMP93P5A軸承,市場價:¥3231.90元,當前庫存2套,添加時間:2023-09-01 11:20:02 |
| NSK 725CDBC7P5軸承 | NSK 725CDBC7P5軸承,市場價:¥504.00元,當前庫存1套,添加時間:2023-08-27 11:56:48 |
| NSK BSN2052DDUHP3軸承 | NSK BSN2052DDUHP3軸承,市場價:¥2678.49元,當前庫存5套,添加時間:2023-08-31 14:36:26 |

