MCGILL ROLLWAY-E5219B軸承尺寸、參數與圖紙
| 基本尺寸 (mm) | |
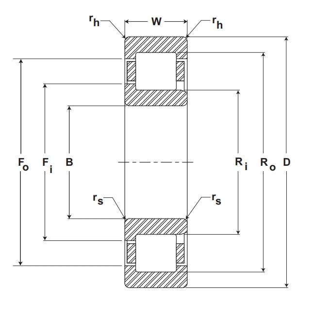
| 軸承內徑 B | 95 |
| 軸承外徑 D | 170 |
| 軸承厚度 W | 55.6 |
| 內圈倒角半徑 Rs | 3.2 |
| 外圈倒角半徑 Rh | 2 |
| 內圈法蘭擋肩外徑 Fi | 121 |
| 內圈外徑 Ri | 113.5 |
| 外圈法蘭擋肩內徑 Fo | 144.5 |
| 外圈內徑 Ri | 151.2 |
| 重量(kg) | |
| 6.4 | |
| 載荷(N) | |
| 基本動載荷 | 334880 |
| 基本靜載荷 | 489350 |
MCGILL軸承推薦
| MCGILL CCF7SB軸承 | 基本尺寸,內徑:0.00000mm,外徑:177.80000mm,厚度:95.25000mm。 |
| MCGILL ROLLWAY-N318EM軸承 | 基本尺寸,內徑:90.00000mm,外徑:190.00000mm,厚度:43.00000mm。 |
| MCGILL CFH1.3/4-SB軸承 | 基本尺寸,內徑:0.00000mm,外徑:44.45000mm,厚度:25.40000mm。 |
| MCGILL CCF3SB軸承 | 基本尺寸,內徑:0.00000mm,外徑:76.20000mm,厚度:44.45000mm。 |
| MCGILL CFE1/2SB軸承 | 基本尺寸,內徑:0.00000mm,外徑:12.70000mm,厚度:9.53000mm。 |
FAG軸承推薦
| FAG HCB7216-E-T-P4S-UL軸承 | FAG HCB7216-E-T-P4S-UL軸承,市場價:¥9325.05元,當前庫存2套,添加時間:2023-08-21 16:29:19 |
| FAG QJ314-XL-MPA-T42A軸承 | FAG QJ314-XL-MPA-T42A軸承,市場價:¥2944.67元,當前庫存4套,添加時間:2023-08-18 11:04:59 |
| FAG 71809-TN軸承 | FAG 71809-TN軸承,市場價:¥1102.63元,當前庫存19套,添加時間:2023-12-12 15:47:28 |
| FAG 30203-A軸承 | FAG 30203-A軸承,市場價:¥35.25元,當前庫存122套,添加時間:2023-08-19 14:25:55 |
| FAG 54216軸承 | FAG 54216軸承,市場價:¥1560.16元,當前庫存2套,添加時間:2023-08-18 16:12:25 |
IKO軸承推薦
| IKO RNA4906UU軸承 | 基本尺寸,內徑:35.00000mm,外徑:47.00000mm,厚度:17.00000mm。 |
| IKO NATB5914軸承 | 基本尺寸,內徑:70.00000mm,外徑:100.00000mm,厚度:40.00000mm。 |
| IKO RNA6908UU軸承 | 基本尺寸,內徑:48.00000mm,外徑:62.00000mm,厚度:40.00000mm。 |
| IKO CRY14V軸承 | 基本尺寸,內徑:6.35000mm,外徑:22.22500mm,厚度:14.28800mm。 |
| IKO BHAM1616軸承 | 基本尺寸,內徑:25.40000mm,外徑:33.33800mm,厚度:25.40000mm。 |

