EZO R6TTS軸承尺寸、參數與圖紙
| 基本尺寸 (in) | |
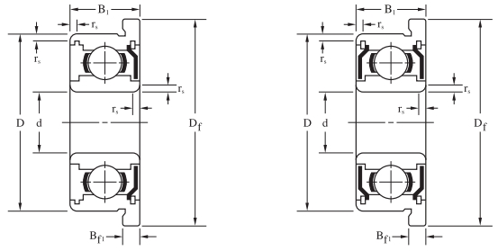
| 軸承內徑 B | 0.375 |
| 軸承外徑 D | 0.875 |
| 法蘭外徑 Df | 0.969 |
| 倒角半徑 rs(min) | 0.0157 |
| 開式軸承厚度 B | 0.2188 |
| 開式軸承法蘭厚度 Bf | 0.062 |
| 密封軸承厚度 B1 | 0.2512 |
| 密封軸承法蘭厚度 Bf1 | 0.062 |
| 重量(g) | |
| 開式 | 9.02 |
| 開式帶法蘭 | 9.71 |
| 密封型 | 11.7 |
| 密封型帶法蘭 | 12.4 |
| 載荷(N) | |
| 基本動載荷 | 3332 |
| 基本靜載荷 | 1411 |
| 極限轉速(rpm) | |
| 脂潤滑 | 32000 |
| 油潤滑 | 38000 |
| 滾珠參數 | |
| 數量 Z | 7 |
| 尺寸 Dw | 0.1563 |
微型軸承推薦
| NMB DDRIF-8516ZZ軸承 | 基本尺寸,內徑:7.93800mm,外徑:12.70000mm,厚度:3.96700mm。 |
| NMB R-1240KK1MTRP5P24LY121軸承 | 基本尺寸,內徑:4.00000mm,外徑:12.00000mm,厚度:4.00000mm。 |
| NSK 626VVMC2E PS2L6軸承 | 基本尺寸,內徑:6.00000mm,外徑:19.00000mm,厚度:6.00000mm。 |
| EZO F691XZZ軸承 | 基本尺寸,內徑:1.00000mm,外徑:4.00000mm,厚度:1.60000mm。 |
| NSK MF63ZZMC3 NS7L5 軸承 | 基本尺寸,內徑:3.00000mm,外徑:6.00000mm,厚度:2.00000mm。 |
FAG軸承推薦
| FAG 22312-E1-XL-K-C3#E軸承 | FAG 22312-E1-XL-K-C3#E軸承,市場價:¥483.00元,當前庫存6套,添加時間:2023-08-20 11:29:37 |
| FAG 3000-2RS軸承 | FAG 3000-2RS軸承,市場價:¥59.22元,當前庫存2套,添加時間:2023-08-17 17:13:01 |
| FAG 54209軸承 | FAG 54209軸承,市場價:¥377.48元,當前庫存54套,添加時間:2023-08-18 16:10:14 |
| FAG 7308-B-XL-MPA-P5-UL軸承 | FAG 7308-B-XL-MPA-P5-UL軸承,市場價:¥1557.56元,當前庫存4套,添加時間:2023-08-17 20:09:42 |
| FAG 6311-C-2HRS-C4軸承 | FAG 6311-C-2HRS-C4軸承,市場價:¥363.39元,當前庫存6套,添加時間:2023-08-15 16:33:10 |
IKO軸承推薦
| IKO BR182620軸承 | 基本尺寸,內徑:28.57500mm,外徑:41.27500mm,厚度:31.75000mm。 |
| IKO TAM1416軸承 | 基本尺寸,內徑:14.00000mm,外徑:22.00000mm,厚度:16.00000mm。 |
| IKO BA78Z軸承 | 基本尺寸,內徑:11.11200mm,外徑:15.87500mm,厚度:12.70000mm。 |
| IKO BHAM3324軸承 | 基本尺寸,內徑:52.38800mm,外徑:64.29400mm,厚度:38.10000mm。 |
| IKO NA4852軸承 | 基本尺寸,內徑:260.00000mm,外徑:320.00000mm,厚度:60.00000mm。 |

