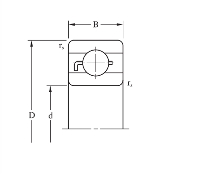
EZO SER1458ZZ軸承尺寸、參數與圖紙
| 基本尺寸 (mm) | |
| 軸承內徑 d | 15.875 |
| 軸承外徑 D | 22.225 |
| 開式軸承厚度 B | 3.967 |
| 密封型軸承厚度 B | 3.967 |
| 倒角半徑 rs(min) | 0.25 |
| 基本尺寸 (in) | |
| 軸承內徑 d | 0.625 |
| 軸承外徑 D | 0.875 |
| 開式軸承厚度 B | 0.1562 |
| 密封型軸承厚度 B | 0.1562 |
| 倒角半徑 rs(min) | 0.0098 |
| 重量(g) | |
| 密封型 | 4.18 |
| 密封型帶法蘭 | 4.6 |
| 載荷(N) | |
| 基本動載荷 | 968 |
| 基本靜載荷 | 619 |
| 極限轉速(rpm) | |
| 脂潤滑 | 20000 |
| 油潤滑 | 24000 |
| 滾珠參數 | |
| 數量 Z | 15 |
| 尺寸 Dw | 1.588 |
微型軸承推薦
| NSK MR52B3-A-T12GZZMC-01 BQHC5軸承 | 基本尺寸,內徑:2.00000mm,外徑:5.00000mm,厚度:2.00000mm。 |
| NSK F682X-H-ZZMC3軸承 | 基本尺寸,內徑:2.50000mm,外徑:6.00000mm,厚度:1.80000mm。 |
| NSK MR74ZZMC3 M NS7S5軸承 | 基本尺寸,內徑:4.00000mm,外徑:7.00000mm,厚度:2.00000mm。 |
| EZO F6903-2RS軸承 | 基本尺寸,內徑:17.00000mm,外徑:30.00000mm,厚度:7.00000mm。 |
| NSK 698ZZ1MC3E J NS7SM軸承 | 基本尺寸,內徑:8.00000mm,外徑:19.00000mm,厚度:6.00000mm。 |
FAG軸承推薦
| FAG 7603050-TVP軸承 | FAG 7603050-TVP軸承,市場價:¥1086.52元,當前庫存100套,添加時間:2023-08-21 22:52:48 |
| FAG 6007-C3-J22C軸承 | FAG 6007-C3-J22C軸承,市場價:¥10.82元,當前庫存74套,添加時間:2023-08-16 21:37:06 |
| FAG HCS7008-E-T-P4S-UL軸承 | FAG HCS7008-E-T-P4S-UL軸承,市場價:¥2100.00元,當前庫存3套,添加時間:2023-08-20 21:33:55 |
| FAG HCB7208-E-2RSD-T-P4S-UL軸承 | FAG HCB7208-E-2RSD-T-P4S-UL軸承,市場價:¥4064.17元,當前庫存6套,添加時間:2023-08-21 16:00:53 |
| FAG 7308-B-XL-MP-UA軸承 | FAG 7308-B-XL-MP-UA軸承,市場價:¥652.79元,當前庫存16套,添加時間:2023-08-17 20:09:54 |
IKO軸承推薦
| IKO NAX7040Z軸承 | 基本尺寸,內徑:70.00000mm,外徑:95.00000mm,厚度:40.00000mm。 |
| IKO TA7025Z軸承 | 基本尺寸,內徑:70.00000mm,外徑:82.00000mm,厚度:25.00000mm。 |
| IKO BA186ZOH軸承 | 基本尺寸,內徑:28.57500mm,外徑:34.92500mm,厚度:9.52000mm。 |
| IKO TA5030Z軸承 | 基本尺寸,內徑:50.00000mm,外徑:62.00000mm,厚度:30.00000mm。 |
| IKO GE160GS-2RS軸承 | 基本尺寸,內徑:160.00000mm,外徑:260.00000mm,厚度:135.00000mm。 |

