NTN UKFL206D1 (when used with H2306X)軸承技術規格
| 類型 | 雙螺栓菱形法蘭式軸承座單元 |
| 軸承類型 | 滾珠軸承 |
| 鎖緊裝置 | 緊定襯套 |
| 密封型式 | 接觸式 |
| 密封圈材質 | 丁腈橡膠 |
| 軸承型號 | UK206D1 |
| 軸承座型號 | FL206D1 |
| 殼體材質 | 鑄鐵 |
| 殼體鑄造型式 | 一體成型 |
| 端蓋類型 | 開式 |
| 性能 | 輕型 |
| 基本額定動載荷 | 4400 lbf 19500 N 19.50 kN |
| 基本額定靜載荷 | 2540 lbf 11300 N 11.30 kN |
| 重量 | 2.000 lb 0.900 kg |
| 應用溫度范圍 | -40 to 250 oF -40 to 120 oC |
| 潤滑方式 | 可再潤滑 |
NTN UKFL206D1 (when used with H2306X)軸承尺寸規格
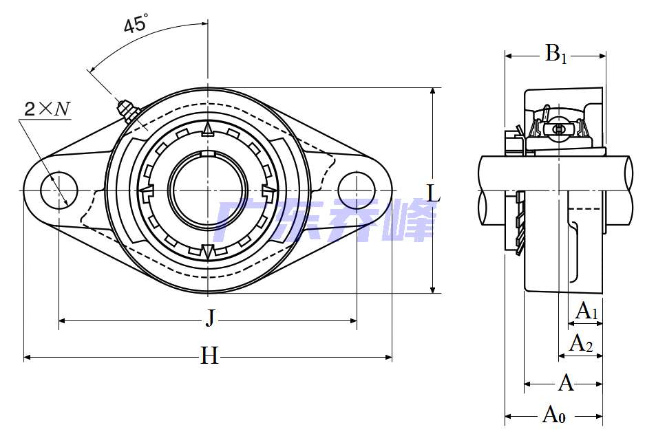
| 雙螺栓菱形法蘭式軸承座單元,鑄造外殼,帶緊定襯套,UKFL型 - 尺寸 | |
| d | 0.9843 in 25.000 mm |
| H | 5.8125 in 148.0 mm |
| L | 3.1562 in 80.0 mm |
| J | 4.6094 in 117.0 mm |
| A | 1.2187 in 31.0 mm |
| A0 | 1.5312 in 39.000 mm |
| A1 | 0.5000 in 13.0 mm |
| A2 | 0.7031 in 18.0 mm |
| N | 0.6250 in 16.0 mm |
| B1 | 1.4960 in 38.000 mm |
| F | 0.1811 in 4.600 mm |
| 注意 | 銷售圖紙反映的是不帶緊定襯套的尺寸,實際上是帶的,因此需要注意。如不能很好把握,可直接致電020-81178086咨詢我們。 |
NTN UKFL206D1 (when used with H2306X)軸承尺寸圖
NTN UKFL206D1 (when used with H2306X)軸承同尺寸型號
| UKFL206D1 (when used with H2306X) | 詳細尺寸,d:25.000mm,h:148.00000mm,b:31.000mm,j:117.000mm,r:80.000mm |
| S-UKFL206D1 (when used with H2306X) | 詳細尺寸,d:25.000mm,h:148.00000mm,b:31.000mm,j:117.000mm,r:80.000mm |
| SM-UKFL206D1 (when used with H2306X) | 詳細尺寸,d:25.000mm,h:148.00000mm,b:31.000mm,j:117.000mm,r:80.000mm |
| 共計找到3條記錄 | |
NTN UKFL206D1 (when used with H2306X)軸承相關配件/適用型號
| UK206D1 | 詳細尺寸,d:30.000mm,dD:62.000mm,c:19.000mm,b:26.000mm |
NTN軸承推薦
| NTN 6204LBNRC3軸承 | 描述:軸承型號:6204LBNRC3,單列深溝球軸承 - 單面密封(非接觸式橡膠密封)帶止動環 |
| NTN 63/22LLBNRC3軸承 | 描述:軸承型號:63/22LLBNRC3,單列深溝球軸承 - 雙面密封(非接觸式橡膠密封)帶止動環 |
| NTN 6914ZNR軸承 | 描述:軸承型號:6914ZNR,單列深溝球軸承 - 單面防塵蓋帶止動環 |
| NTN WC88511軸承 | 描述:軸承型號:WC88511,單列深溝球軸承 - 雙面密封(接觸式橡膠密封),WC88000系列 |
| NTN 5212SKEC3軸承 | 描述:軸承型號:5212KEC3,雙列角接觸球軸承 - 開式,5200&5300系列 |
| NTN 7214HG1DUJ74軸承 | 描述:軸承型號:7214HG1DUJ74,雙聯角接觸球軸承,高精度 - 萬能平頂軸承 |
| NTN MLECH7021CV軸承 | 描述:軸承型號:MLECH7021CV,密封混合陶瓷角接觸球軸承 - 接觸角 17°,高精度 |
| NTN BST55X100-1BDFTT軸承 | 描述:軸承型號:BST55X100-1BDFTT,滾珠絲杠用四列角接觸推力球軸承 - DFTT配對,開式,三排承受軸向載荷 |
| NTN 7019軸承 | 描述:軸承型號:7019,單列角接觸球軸承 - 開式 |
| NTN A-UC210-115D1軸承 | 描述:軸承型號:A-UC210-115D1,超一流帶緊定螺釘的外球面軸承,寬外圈 - 球面外圈 |
進口軸承推薦
| NTN 7208T2G/GNP4軸承 | 描述:0.388 kg, 單列角接觸球軸承 |
| NTN 8207軸承 | 描述:0.286 kg,單列深溝球軸承 |
| SNR 62201.EE軸承 | 描述:0.05 kg, |
| SKF 6309-2RSH軸承 | 描述:0.86 kg,單列深溝球軸承 |
| SNR 6207EE NR J30軸承 | 描述:0.294 kg,單列深溝球軸承 |
MCGILL軸承推薦
| MCGILL MCF80SB軸承 | 基本尺寸,內徑:0.00000mm,外徑:80.00000mm,厚度:35.00000mm。 |
| MCGILL GR22RSS+MI18軸承 | 基本尺寸,內徑:1.37500mm,外徑:1.87500mm,厚度:1.25000mm。 |
| MCGILL ROLLWAY-E5213B軸承 | 基本尺寸,內徑:65.00000mm,外徑:120.00000mm,厚度:38.10000mm。 |
| MCGILL MCFRE40SB軸承 | 基本尺寸,內徑:0.00000mm,外徑:40.00000mm,厚度:20.00000mm。 |
| MCGILL MR64RSS+MI56軸承 | 基本尺寸,內徑:4.00000mm,外徑:5.00000mm,厚度:2.00000mm。 |

